| 型號 | OM-8000 |
|---|---|
工作電壓 | 220VAC±10% 50/60Hz |
| 整機功耗 | 小于5W |
| 測溫范圍 | -50°C~99°C |
| 控溫范圍 | -40℃~50°C |
| 測溫精度 | ±1°C(-30°C~50°C)其余±2°C |
| 顯示分辨率 | 0.1℃ /1℃ |
| 產品尺寸(mm) | 178x105x50 |
| 安裝尺寸(mm) | 167x96.5 |
| 產品序列 | 控制輸出 | 信號輸入 | 其他 | ||||||
|---|---|---|---|---|---|---|---|---|---|
| 壓縮機 | 水泵 | 加熱 | 報警 | 旁通閥 | 環(huán)溫探頭 | 水溫探頭 | 蜂鳴器 | 485通信 | |
| OM-8000 | ● | ● | ● | ● | ● | ● | ● | ● | 可選 |
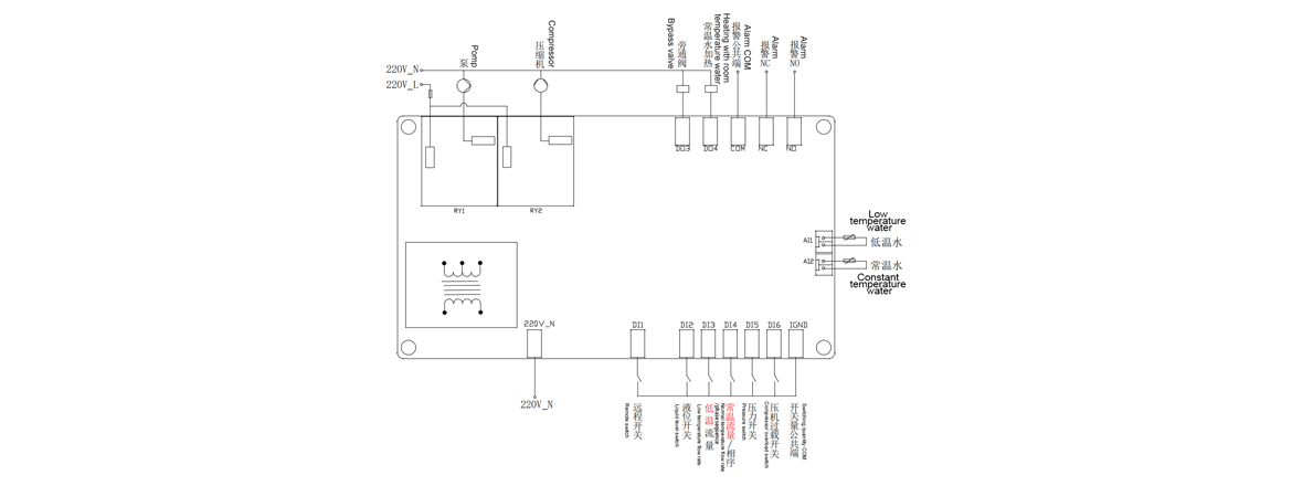
接線圖:


| 型號 | OM-8000 |
|---|---|
工作電壓 | 220VAC±10% 50/60Hz |
| 整機功耗 | 小于5W |
| 測溫范圍 | -50°C~99°C |
| 控溫范圍 | -40℃~50°C |
| 測溫精度 | ±1°C(-30°C~50°C)其余±2°C |
| 顯示分辨率 | 0.1℃ /1℃ |
| 產品尺寸(mm) | 178x105x50 |
| 安裝尺寸(mm) | 167x96.5 |
| 產品序列 | 控制輸出 | 信號輸入 | 其他 | ||||||
|---|---|---|---|---|---|---|---|---|---|
| 壓縮機 | 水泵 | 加熱 | 報警 | 旁通閥 | 環(huán)溫探頭 | 水溫探頭 | 蜂鳴器 | 485通信 | |
| OM-8000 | ● | ● | ● | ● | ● | ● | ● | ● | 可選 |
